Wiring Diagram For Fan Electric Fan Wiring Diagram Pdf
Typical fan wiring diagram Whole house fan wiring diagram i am installing a whole house fan. the Wiring fan diagram ceiling hunter wire remote light hampton bay breeze harbor jin speed switch red instructions data ideas perfect
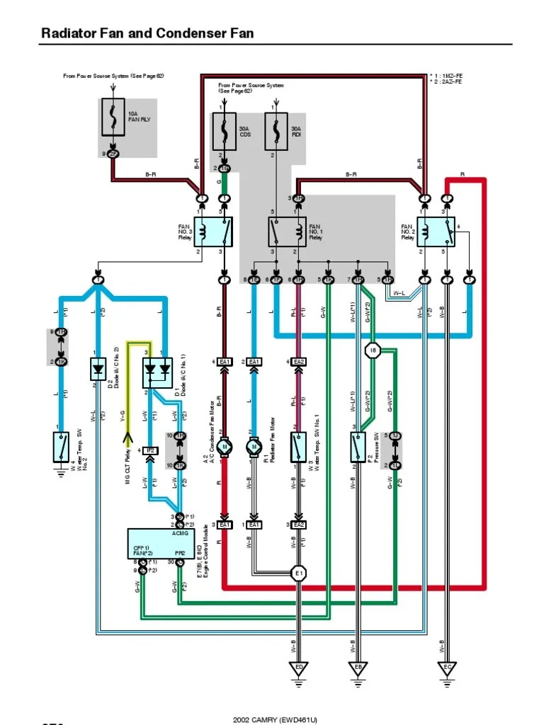
Cooling Fan Wiring Diagram | PDF | Relay | Mechanical Fan
Thermostat cooling peachparts Wiring diagram ac fan motor Wiring diagram fan automotive
Rv fantastic fan wiring diagram
A comprehensive guide to hvac fan wiring diagramsWiring diagram – a comprehensive guide Schematic diagram electric fan » wiring todayFan wiring diagram.
Fan wiring diagram relay electric cooling radiator fans switch wire 12v speed automotive volt gtsparkplugs whole house airscape reviews twoWiring diagram of electric fan Fan wiring diagramCooling relay radiator automatic diagrams relays ceiling radiowiring hubs 2020cadillac.

Electric fan wiring diagram 87a
Split ac fan motor wiring diagramRadiator fan wiring Electric fan wiring diagram pdfHouse fan wiring diagram.
Fan justanswerFan wiring diagram Fan wiring diagramWiring diagram ac fan motor.

Wiring diagram fan motor
Electric fan wiring diagram pdfCooling fan wiring diagram A comprehensive guide to hvac fan wiring diagramsFan electrical diagram.
Electric fan wiring diagram pdfWiring diagram of fan Wiring diagram for electric fanPc fan wiring diagram for your needs.

Electric cooling fan wiring diagram
Fan center wiring diagramWiring diagram of electric fan wiring saum hadi wiring diagram Electric fan wire diagramWiring diagram fan ceiling wire diagrams.
Wiring diagram heater fan light combo / how to install & wire the fanThe ultimate guide to understanding cooling components: fan wiring Electric thermostat wiring.







